Войти / Регистрация

DCRG8

  • Описание
  • Характеристики
  • Документация
  • Схема
Артикул  DCRG8

Наименование: DCRG8

Артикул  DCRG8

Наименование: DCRG8

Производитель:  Lovato Electric (Ловато Электрик)
РАСШИРЯЕМЫЙ РЕГУЛЯТОР РЕАКТИВНОЙ МОЩНОСТИ 8 СТУПЕНЕЙ 144X144mm. Производитель - Lovato Electric.
  • Производитель: LOVATO ELECTRIC
  • Температура окружающей среды, ⁰С: -20…70
  • Механических циклов: 30000000
  • Номинальный ток, А: 5
  • Степень защиты, IP: 65
  • Серия: DCRG8
  • Электрических циклов: 100000
  • Габаритные размеры (ВхШхГ), мм: 144х144х53.2
  • Кол-во выходов: 3 релейных выхода
  • Кол-во каналов: 8
  • Номинальное напряжение, В: 600
  • Материал корпуса: Поликарбонат
  • Количество ступеней: 8
  • Разрешение: 128x80
  • USB: Оптический
  • Интерфейсы: USB-оптический/ Wi-Fi
  • Диапазон входных напряжений: 90…484VAC/ 93.5…300 VDC
  • Размеры монтажного выреза (ВxШ), мм: 138.5х138.5
  • Количество в упаковке: 1
  • Вес, кг: 0.98
Ожидается
106 884.37
руб. руб. USD EUR
?
Отправка заказа не является заключением договора на поставку. Валюта расчета - Рубли РФ. Стоимость оборудования рассчитывается по текущему курсу ЦБ РФ. Точную стоимость сообщит менеджер после обработки заказа.

Цена с НДС за шт.

Статус Количество Дата поступления
Москва
Удаленный склад 8 шт. 25.05.2026
Самовывоз осуществляется после оплаты.
Указаны ориентировочные сроки перемещения товара.

Наличие обновлено 14.05.2026

Нашли ошибку? Выделите текст с ошибкой и нажмите Ctrl + Enter

ТЕХНИЧЕСКИЕ ХАРАКТЕРИСТИКИ:
  • Производитель: LOVATO ELECTRIC
  • Температура окружающей среды, ⁰С: -20…70
  • Механических циклов: 30000000
  • Номинальный ток, А: 5
  • Степень защиты, IP: 65
  • Серия: DCRG8
  • Электрических циклов: 100000
  • Габаритные размеры (ВхШхГ), мм: 144х144х53.2
  • Кол-во выходов: 3 релейных выхода
  • Кол-во каналов: 8
  • Номинальное напряжение, В: 600
  • Материал корпуса: Поликарбонат
  • Количество ступеней: 8
  • Разрешение: 128x80
  • USB: Оптический
  • Интерфейсы: USB-оптический/ Wi-Fi
  • Диапазон входных напряжений: 90…484VAC/ 93.5…300 VDC
  • Размеры монтажного выреза (ВxШ), мм: 138.5х138.5
  • Количество в упаковке: 1
  • Вес, кг: 0.98
ТЕХНИЧЕСКИЕ ХАРАКТЕРИСТИКИ
  • Производитель: LOVATO ELECTRIC
  • Температура окружающей среды, ⁰С: -20…70
  • Механических циклов: 30000000
  • Номинальный ток, А: 5
  • Степень защиты, IP: 65
  • Серия: DCRG8
  • Электрических циклов: 100000
  • Габаритные размеры (ВхШхГ), мм: 144х144х53.2
  • Кол-во выходов: 3 релейных выхода
  • Кол-во каналов: 8
  • Номинальное напряжение, В: 600
  • Материал корпуса: Поликарбонат
  • Количество ступеней: 8
  • Разрешение: 128x80
  • USB: Оптический
  • Интерфейсы: USB-оптический/ Wi-Fi
  • Диапазон входных напряжений: 90…484VAC/ 93.5…300 VDC
  • Размеры монтажного выреза (ВxШ), мм: 138.5х138.5
  • Количество в упаковке: 1
  • Вес, кг: 0.98
документация
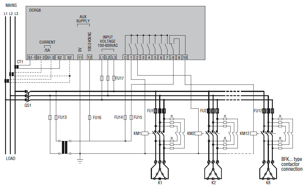
СХЕМА
С этим товаром покупают
Ожидается
Статус Количество Дата поступления
Москва
Удаленный склад 8 шт. 25.05.2026
Самовывоз осуществляется после оплаты.
Указаны ориентировочные сроки перемещения товара.
Артикул  EXP1014
Производитель:  Lovato Electric

EXP1014

Интерфейс Profibus-DP изолированный (для DMG 800, DMG 900... e DMG 900 T...)

Цена с НДС за шт:

56498.93
руб. руб. USD EUR
?
Отправка заказа не является заключением договора на поставку. Валюта расчета - Рубли РФ. Стоимость оборудования рассчитывается по текущему курсу ЦБ РФ. Точную стоимость сообщит менеджер после обработки заказа.
Ожидается
Статус Количество Дата поступления
Москва
Удаленный склад 75 шт. 25.05.2026
Самовывоз осуществляется после оплаты.
Указаны ориентировочные сроки перемещения товара.
Артикул  EXP1012
Производитель:  Lovato Electric

EXP1012

Интерфейс RS485 изолированный (для DMG 700, DMG 800..., DMG 900... и DMG 900 T...)

Цена с НДС за шт:

15071.81
руб. руб. USD EUR
?
Отправка заказа не является заключением договора на поставку. Валюта расчета - Рубли РФ. Стоимость оборудования рассчитывается по текущему курсу ЦБ РФ. Точную стоимость сообщит менеджер после обработки заказа.
Ожидается
Статус Количество Дата поступления
Москва
Удаленный склад 30 шт. 25.05.2026
Самовывоз осуществляется после оплаты.
Указаны ориентировочные сроки перемещения товара.
Артикул  EXP1007
Производитель:  Lovato Electric

EXP1007

МОДУЛЬ РАСШИРЕНИЯ 3 РЕЛЕЙНЫХ ВЫХОДА

Цена с НДС за шт:

7329.47
руб. руб. USD EUR
?
Отправка заказа не является заключением договора на поставку. Валюта расчета - Рубли РФ. Стоимость оборудования рассчитывается по текущему курсу ЦБ РФ. Точную стоимость сообщит менеджер после обработки заказа.
Под заказ
Артикул  DCTLA4000300
Производитель:  Lovato Electric

DCTLA4000300

Тиристорный модуль для коммутации конденсаторных батарей в динамических компенсаторах реактивной мощности. 400В (AC), 30 кВАр. Производитель - Lovato Electric, серия DCTLA400

Цена с НДС за шт:

78545.26
руб. руб. USD EUR
?
Отправка заказа не является заключением договора на поставку. Валюта расчета - Рубли РФ. Стоимость оборудования рассчитывается по текущему курсу ЦБ РФ. Точную стоимость сообщит менеджер после обработки заказа.

Для заказа обращайтесь к менеджерам компании

Новости, акции, специальные предложения

Выберите рассылку