Фирма PHOENIX CONTACT производит широкий спектр устройств для создания высоконадёжной сети электропитания средств автоматизации и связи постоянным током напряжением 24V.
QUINT POWER – высокая функциональность
1 фаза – 85В…264В;
3 фазы – 320В…575В.
Надёжная защита выходных цепей благодаря возможности 6-кратного повышения выходного тока в течении 12 мс (технология SFB) и, как следствие, быстрого срабатывания стандартных автоматических выключателей.
Пуск тяжелых нагрузок благодаря резервированию мощности POWER BOOST,
I вых> 1,5 Iном при температуре ниже +60 °C.
Блок-схема источника QUINT POWER, 1 фазный

Блок-схема источника QUINT POWER, 3 фазный
3,5A; 5,0A; 10,0A; 20,0A; 40,0A.
Блок-схема источника TRIO POWER, 1 фазный

Блок-схема источника TRIO POWER, 3 фазный
1 фаза – 85В…264В;
1,25A; 2,5A; 4,2A; 6,25A; 10,0A.
Блок-схема источника UNO POWER
Блок-схема модуля QUINT UPS 24
В совокупности с источниками питания и накопителями энергии (аккумуляторами) модули QUINT UPS позволяют создавать ИБП постоянного тока напряжением 24 В с выходным током от 5А до 40А.
Осуществляет контроль аккумулятора: текущее состояние заряда, определение оставшегося времени работы, расчет срока службы накопителя энергии, быструю зарядку аккумулятора.
Наличие статического резерва мощности POWER BOOST.

Блок-схема модуля QUINT UPS 24
В совокупности с накопителями энергии (аккумуляторами) модули позволяют создавать ИБП переменного тока напряжением 230 В мощностью 500VA. Осуществляет контроль аккумулятора: текущее состояние заряда, определение оставшегося времени работы, расчет срока службы накопителя энергии, быструю зарядку аккумулятора.
КПД 98% при заряженном аккумуляторе. Cos ϕ=0,8.
Наличие функции «холодного пуска»( при отсутствии напряжения 230 В на входе).

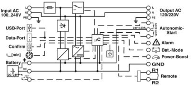
Блок-схема модуля QUINT UPS 1AC
Накопители энергии (аккумуляторы)
Не требующий обслуживания UPS CAP

Литий-ионный аккумулятор UPS BAT/LI-ION
Свинцово-кислотные необслуживаемые аккумуляторы UPS BAT/VRLA
Модуль бесперебойного питания STEP UPS со встроенным аккумулятором
Блок-схема модуля STEP UPS
Практические советы
(нажмите на изображение, чтобы увеличить)
|
Обозначение |
Комментарии |
Примечание |
|
U1-U2 |
Источники питания стабилизированного напряжения 24В пост.тока, входное напряжение 220В, 50Гц, выбор зависит от условий эксплуатации оборудования. |
QUINT POWER – наивысшая функциональность, до 1кВт TRIO POWER – стандартные функции, до 1кВт UNO POWER – базовые функции, до 0,24кВт |
|
U3 |
Активный модуль резервирования QUINT ORING: вход - напряжение 2х 24VDC ток 2х10А; выход – напряжение 24VDC ток 20А. |
Возможна замена на диодные модули |
|
U4 |
Модуль бесперебойного питания QUINT UPS: вход/выход =24В, ток 10А в номинальном режиме, допустима длительная перегрузка до 15А (при t< 40°C) |
Возможна замена на модули со встроенными аккумуляторами |
|
U5 |
Энергоаккумулятор UPS BAT, емкость зависит от требований эксплуатации | Возможно применение конденсаторных, литиевых или свинцовых накопителей |
|
F1-F2 |
Автоматические выключатели серии PL6, хар.С (EATON) для защиты входных цепей источников питания (следует учитывать пусковой ток источника) |
Возможно применение выключателей серии 5SL фирмы Siemens или иных производителей |
|
SF1-SF3 |
Автоматические выключатели серии PL6, хар.B или С (EATON) для защиты входных цепей потребителей напряжения 24В |
Возможно применение выключателей серии 5SL фирмы Siemens или иных производителей |
Применение программного продукта «CLIP PROJECT 8*» от PHOENIX CONTACT значительно облегчает выбор и проектирование источников бесперебойного питания 24 В постоянного тока.
1. Экранная форма выбора комплектующих.

2. Экранная форма размещения выбранного оборудования с указанием размеров и заказных номеров.

Товар успешно добавлен в корзину






Он будет опубликован сразу после проверки модератором. Спасибо, что нашли время, ваше мнение очень важно для нас.